Zacisk do Lin Linowy KABŁĄKOWY WZMOCNIONY 8mm
Produkty subskrypcyjne w twoim koszyku
Ustaw jedną częstotliwość dostaw dla wszystkich produktów subskrypcyjnych z twojego koszyka co:
Produkty subskrypcyjne w twoim koszyku
MATERIAŁ:
Śruba - klasa 6.8;
Nakrętki - klasa 6 (M5-M20 z podstawą ząbkowaną, M22-24 z podstawą płaską);
Szczęka - żeliwo ciągliwe;
Powłoki - powierzchnia cynkowana galwanicznie i chromianowana na zółto.
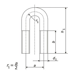
Zaciski linowe kabłąkowe to zestaw składający się ze śruby w kształcie U, szczęki i nakrętek, które pozwalają na ściśnięcie dwóch odcinków liny podczas dokręcania nakrętek.
Zaciski przeznaczone są do zabezpieczenia zakończeń lin i pętli z kauszą i bez kauszy, jako elementów statycznie obciążanych podczas zawieszania oraz pojedynczych operacji podnoszenia. Przeznaczone są do lin splotkowych okrągłych o klasie wytrzymałości do 1960 N/mm2.
Zacisków kabłąkowych nie można stosować do lin jednozwitych oraz jako podstawowych urządzeń zabezpieczających w wyciągach górniczych, dźwigach lub zakończeniach z pętlą dla zawiesi do dźwignic.
Dopuszczalna temperatura pracy: -40 ° C do 80 ° C.
WYMAGANIA DOTYCZĄCE MONTAŻU:
- montaż powinien być wykonywany przez osobę kompetentną, tzn. posiadającą praktyczną wiedzę i doświadczenie w zakresie budowy zakończeń z pętli zabezpieczanych kabłąkowymi zaciskami linowymi, która zapoznała się z wymaganiami niniejszej instrukcji, oraz wyposażoną w urządzenia niezbędne do prawidłowego montażu (np. klucze dynamometryczne)
- przy montażu a także przed każdym cyklem pracy, należy przeprowadzić kontrolę wzrokową wyrobu
- sprawdzić czy zestaw zawiera wszystkie wymagane elementy, nie wykazuje śladów uszkodzeń lub zużycia,
- zaciski powinny być dobierane odpowiednio do średnicy liny. Nominalna wielkość zacisku odpowiada maksymalnej nominalnej średnicy liny. Dla pośrednich wartości nominalnych średnic liny należy stosować następną większą wielkość zacisku. Nominalną wielkość 5, stosuje się jedynie dla nominalnej średnicy liny 5mm. Wielkość zacisku należy odczytać na spodzie korpusa (szczęki).
- minimalną liczbę zacisków, które należy zastosować na jedną pętlę w zależności rozmiaru liny, podano w tabeli,
- jeżeli w pętli zastosowana jest kausza, należy pierwszy zacisk umiejscowić bezpośrednio przy kauszy - kolejne zaciski należy montować w odległościach podanych w tabeli,
- przed skręceniem zacisku, należy posmarować powierzchnie gwintów nakrętek oraz śruby
- należy zamontować zacisk w taki sposób, aby korpus zacisku obejmował odcinek liny przenoszący obciążenie
- nakrętki kołnierzowe należy dokręcić momentem obrotowym podanym w tabeli,
- po pierwszym obciążeniu liny, należy sprawdzić moment dokręcenia nakrętek, i jeżeli jest to konieczne, przeprowadzić korektę (kontrola dokręcenia nakrętek powinna być także wykonywana przy każdym kolejnym cyklu pracy)
- wolny koniec liny należy zabezpieczyć przed rozplataniem
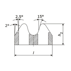
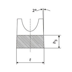
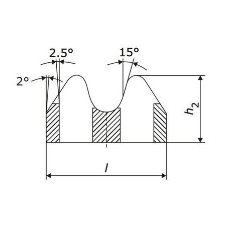
DANE TECHNICZNE:






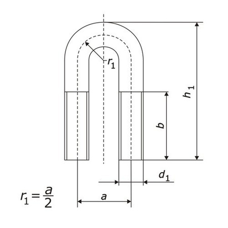
| ROZMIAR | a | b | d1 | h1 | d2 | h2 | h3 |
| [mm] | [mm] | [mm] | [mm] | [mm] | [mm] | [mm] | |
| 5 | 12 | 13 | M5 | 25,5 | 6 | 13 | 5,5 |
| 6,5 | 14,5 | 17 | M6 | 32 | 8 | 14 | 6 |
| 8 | 18 | 20 | M8 | 42 | 10 | 18 | 9 |
| 10 | 20 | 25 | M8 | 46 | 10 | 21 | 9 |
| 12 | 25 | 30 | M10 | 56 | 12 | 25 | 11 |
| 14 | 28 | 32 | M12 | 67 | 16 | 30 | 13,5 |
| 16 | 34 | 36 | M14 | 79 | 17 | 36 | 16,5 |
| 19 | 38 | 40 | M14 | 86 | 17 | 41 | 17,5 |
| 22 | 41,5 | 44 | M16 | 97 | 19 | 44,5 | 20 |
| 26 | 47,5 | 52 | M20 | 120 | 24 | 51,5 | 23 |
| 30 | 56 | 56 | M20 | 135 | 24 | 59 | 27 |
| 34 | 60 | 68 | M22 | 150 | 25,5 | 66,5 | 30 |
| 40 | 68 | 70 | M24 | 169 | 27 | 77 | 32,5 |
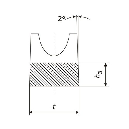
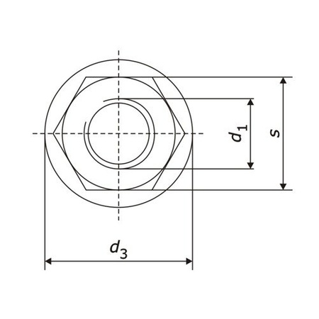
| ROZMIAR | l | t | c | d3 | h4 | s |
| [mm] | [mm] | [mm] | [mm] | [mm] | [mm] | |
| 5 | 13 | 13 | 1,4 | 11 | 5 | 8 |
| 6,5 | 16 | 16 | 1,6 | 13 | 5,5 | 10 |
| 8 | 20 | 20 | 1,7 | 17 | 8 | 13 |
| 10 | 20 | 20 | 1,7 | 17 | 8 | 13 |
| 12 | 23,5 | 23,5 | 1,9 | 20 | 10 | 16 |
| 14 | 28 | 28 | 2,5 | 24 | 12 | 18 |
| 16 | 32 | 32 | 3,4 | 28 | 13 | 21 |
| 19 | 32 | 32 | 3,4 | 28 | 13 | 21 |
| 22 | 34 | 34 | 3,4 | 29,5 | 15,5 | 24 |
| 26 | 38 | 38 | 4,5 | 37 | 23 | 30 |
| 30 | 41 | 41 | 5 | 37 | 23 | 30 |
| 34 | 46,5 | 46,5 | 7 | 45 | 29 | 34 |
| 40 | 50 | 50 | 7 | 45 | 29 | 34 |
| ROZMIAR | MASA | MOMENT DOKRĘCENIA ŚRUB | LICZBA ZACISKÓW | ODLEGŁOŚĆ ZACISKÓW MIN.-MAX. | DLA LIN O KLASIE DO |
| [N/mm2] | |||||
| [kg/szt] | [Nm] | [min szt./pętlę] | [mm] | ||
| 5 | 0,021 | 2,0 | 3 | 19,5 - 39 | 1960 |
| 6,5 | 0,035 | 3,5 | 3 | 24 - 48 | 1960 |
| 8 | 0,086 | 6,0 | 4 | 30 - 60 | 1960 |
| 10 | 0,091 | 9,0 | 4 | 30 - 60 | 1960 |
| 12 | 0,172 | 20 | 4 | 36 - 72 | 1960 |
| 14 | 0,270 | 33 | 4 | 42 - 84 | 1960 |
| 16 | 0,432 | 49 | 4 | 48 - 96 | 1960 |
| 19 | 0,486 | 68 | 4 | 48 - 96 | 1960 |
| 22 | 0,654 | 107 | 5 | 51 - 102 | 1960 |
| 26 | 1,090 | 147 | 5 | 57 - 114 | 1960 |
| 30 | 1,380 | 212 | 6 | 61,5 - 123 | 1960 |
| 34 | 2,114 | 296 | 6 | 67,5 - 135 | 1960 |
| 40 | 2,748 | 363 | 6 | 73,5 - 147 | 1960 |





















