Krętlik SZEKLA-SZEKLA Nierdzewny V4 5mm
Produkty subskrypcyjne w twoim koszyku
Ustaw jedną częstotliwość dostaw dla wszystkich produktów subskrypcyjnych z twojego koszyka co:
Produkty subskrypcyjne w twoim koszyku
MATERIAŁ:
Stal nierdzewna, kwasoodporna,
AISI 316, gatunek stali 1.4401
PRZEZNACZENIE:
Krętlik nierdzewny typu szekla-szekla (widełki-widełki), nazywany również rozprężaczem, składa się z dwóch uchwytów połączonych krótką osią umożliwiającą ich rotacje względem siebie.
Krętliki zapobiegają skręcaniu się cięgien, lin lub przewodów, poprzez umożliwienie ich swobodnego obracania się, lub obracania się doczepionych do nich rzeczy.
Stosowane są w żeglarstwie, jako element takielunku przeciwdziałający skręcaniu się łańcucha kotwicznego, jak również jako element usuwający naprężenia podczas układania kabli i zapobiegający skręcaniu się lin.
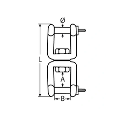
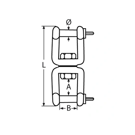
DANE TECHNICZNE:
Ø |
L |
B |
A |
OBCIĄŻENIE ZRYWAJĄCE |
[mm] |
[mm] |
[mm] |
[mm] |
[kg] |
5 | 60 | 10 | 11 | 600 |
6 | 66 | 12 | 11 | 1130 |
8 | 88 | 16 | 16 | 2000 |
10 | 118 | 20 | 22 | 3150 |
13 | 152 | 26 | 28 | 4550 |
16 | 188 | 34 | 37 | 7500 |
19 | 229 | 38 | 45 | 10000 |